WWII Navy Transmitters & Transceivers

waves-bug.jpg (104666 bytes) Go to http://www.qrz.com/db/KD6TKX to see Andy's really great WW2 Navy Radio Shack

andy-1402-01.jpg (127847 bytes)


Portable and Mobile transmitter-receiver page (MAB, MAR, MBF, TBX, TBY, etc.)

WW2 Era Shipboard and Shore Station LF/MF/HF Transmitters
(Go here for WW2 Era VHF/UHF Transmitters)

TAB
TAB Spec Sheets

100-55 KC, 2kw CW -- --

TAJ-19
TAJ Spec Sheets

TAJ19-01.JPG (20979 bytes)

TAJ19-02.JPG (18307 bytes) TAJ19-03.JPG (17101 bytes) TAJ19-04.JPG (14277 bytes)
TAJ19-05.JPG (12994 bytes) TAJ19-06.JPG (18751 bytes) TAJ19-07.JPG (16705 bytes) TAJ19-09.jpg (24965 bytes)

TBA
TBA Spec Sheets

4-26mc, 1000w

TBA-6 aboard USS Texas
tba6-bb35-01.jpg (7230694 bytes)
tba6-bb35-02.jpg (2787265 bytes) --

TBC

TBC Spec Sheets

40-50KW, CW, 4-26MC

Water Cooled

 

tbc5-id-2001.jpg (278310 bytes) TBC at Guam (Barrigada)
guam-tbc.jpg (58359 bytes)
--
Photos thanks to Jeff WB6ZBX
TBC-A.jpg (714145 bytes)
TBC-B.jpg (724569 bytes) TBC-C.jpg (743907 bytes) TBC-D.jpg (811192 bytes)

TBD

article in Electric Radio magazine Nov 2002 p32 - -

TBK
TBK Spec Sheets  

Info on all TBK Models

TBK-18
tbk18-1308-01.JPG (2965048 bytes)

TBK-18
tbk18-1308-02.JPG (3148356 bytes)
TBK-18
tbk18-1308-04.JPG (2265707 bytes)
TBK-7 aboard USS North Carolina
tbk7-bb55-01.JPG (1921053 bytes)
Andy's restored TBK-18 plus TBM Modulator
tbk-1402-01.jpg (69921 bytes)

CRV-50194 Modulator (Specs)

tbk-mod-1709-00.jpg (264058 bytes)

tbk-mod-1709-01.jpg (246314 bytes)

tbk-mod-1709-07.jpg (264030 bytes)

tbk-mod-1709-02.jpg (411887 bytes)
tbk-mod-1709-03.jpg (276827 bytes) tbk-mod-1709-06.jpg (365714 bytes) tbk-mod-1709-05.jpg (228770 bytes) tbk-mod-1709-04.jpg (248403 bytes)

TBL
TBL Spec Sheets

article in Electric Radio magazine Oct 2001 p38

TBL-8 Video - restoration

- -

TBL Speech Input Equipment CME-50064
CQE-50064A

nt50064-110224-01.jpg (17687 bytes)

50064A spec Sheet

50064-spec-01.JPG (1037829 bytes) 50064-spec-02.JPG (710785 bytes)

Receiver Attenuator CQE-29017 
- part of TBL Speech Input Equipment 

 

atten-cqe29017-91.jpg (108631 bytes) atten-cqe29017-92.jpg (141433 bytes)
--

TBM-7 - Video of operation aboard USS Massachusetts

TBM Spec Sheets

- -
TBM-7 aboard USS Texas
tbm7-bb35-01.jpg (6863779 bytes)
tbm7-bb35-02.jpg (6119897 bytes) Modulator for TBM-7
tbm7-mod-bb35-01.jpg (6172125 bytes)
tbm7-mod-bb35-02.jpg (4870251 bytes)

TBM telephone & remote control unit (CAY-23304-A)

tbm-control-111.jpg (24350 bytes)

tbm-control-112.jpg (24956 bytes) tbm-control-113.jpg (20973 bytes) tbm-control-114.jpg (13119 bytes)

TCB
TCB Spec Sheets

--

-article in Electric Radio magazine Mar 1996 p32 -

TCK-4
tck4-1206-01.JPG (37120 bytes)

TCK Spec Sheets

2-18.1mc 
400w CW, 100w AM

TCK Restoration Video  

tck4-1206-02.JPG (71451 bytes)

 

tck4-1206-03.JPG (56854 bytes)

TCK motor-generator set
tck-gen-1901.jpg (352061 bytes)

tck4-1206-05.JPG (59409 bytes)

TCK-4, -6 Transmission Line Coupling Unit - CG-50139
tck-coupler-cg50139-01.JPG (586373 bytes)

tck-coupler-cg50139-02.JPG (560603 bytes) tck-coupler-cg50139-03.JPG (588726 bytes) Photos thanks to Ed KG6UTS

TCM, TCN, TCU

TCM is HF only (2-18mc)
TCU is MF only (300-2000kc)
TCN is HF + MF

tcu-03.JPG (126693 bytes) --

TCO-2 (CRM-43206)
TCO Spec Sheets

tco2-110507-01.jpg (230216 bytes)

tco2-110507-03.jpg (338866 bytes) tco2-110507-04.jpg (226909 bytes) tco2-110507-05.jpg (345872 bytes)
tco2-110507-06.jpg (338525 bytes) tco2-110507-07.jpg (358439 bytes) tco2-110507-08.jpg (315448 bytes) tco2-110507-09.jpg (275961 bytes)
tco2-110507-10.jpg (311782 bytes) tco2-110507-11.jpg (308780 bytes) tco2-110507-12.jpg (206487 bytes) manuf Radiomarine

TCP-2 (CRM-43010-A)
TCP Spec Sheets

TCP-2 Manual

TCP2-01.jpg (54190 bytes)

TCP2-02.jpg (53545 bytes) TCP2-03.jpg (64473 bytes) TCP2-07.jpg (38021 bytes) 
TCP2-05.jpg (65099 bytes) TCP2-06.jpg (57050 bytes) TCP2-04.jpg (103274 bytes)

TCP-3
tcp3-01.JPG (22893 bytes)

tcp3-03.JPG (21844 bytes) tcp3-04.JPG (35362 bytes) tcp3-02.JPG (10937 bytes)

TCP-3 remote control CRM-23230 
tcp3-23230-1310-01.jpg (108204 bytes)

tcp3-23230-1310-02.jpg (162640 bytes) tcp3-23230-1310-03.jpg (177590 bytes) tcp3-23230-1310-04.jpg (234796 bytes)

TCP-3 handset CRM-51026
tcp3-51026-1310-01.jpg (109943 bytes)

-- -- --

TCR  (CRM-52207)
TCR Spec Sheets

tcr-01.jpg (13030 bytes)

2-3mc 125w remotely-controlled radiophone xmtr

Radiomarine Corp

tcr-man-02.jpg (301732 bytes)

CRM-52207 Transmitter
CRM-23242 Control Unit
CRM-51027 Hand Telephone Assembly

tcr-phone-1309-2.jpg (164593 bytes)

tcr-man-04.jpg (332273 bytes)

 

tcr-phone-1309-1.jpg (195745 bytes)

tcr-phone-1309-3.jpg (170384 bytes)

TCS - Photo and Info Page

tcs13-01.JPG (84809 bytes)     tcs13-111.jpg (111118 bytes)

--

TCU - see TCM above

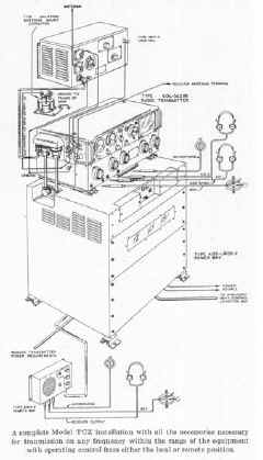
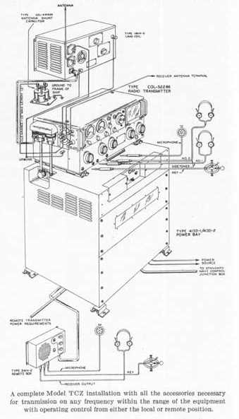
TCZ, TCZ-1, TCZ-2

tcz1-01.JPG (18274 bytes)

IMG_0551.jpg (98250 bytes)

Adaptation of ATC (AN/ART-13) transmitter

  TCZ Spec Sheets

tcz1-02.JPG (17791 bytes)

tcz-spec-01a.JPG (116028 bytes) IMG_0552.jpg (136529 bytes)
tcz-1205-01.jpg (43905 bytes) Photos this row thanks to KA1KAQ

tcz-1205-02.jpg (85869 bytes)

tcz-1205-03.jpg (75178 bytes) tcz-1205-04.jpg (54924 bytes)
tcz1-1411-08.JPG (383545 bytes) tcz1-1411-09.JPG (355035 bytes) tcz1-1411-01.JPG (461460 bytes) tcz1-1411-02.JPG (455175 bytes)
tcz1-1411-03.JPG (387406 bytes) tcz1-1411-04.JPG (431077 bytes) tcz1-1411-05.JPG (299559 bytes) tcz1-1411-06.JPG (283484 bytes)
tcz1-1411-07.JPG (374437 bytes) tcz1-1411-10.JPG (404379 bytes) -- --
TCZ - 1955 USN restoration - photos thanks to Paul N6FEG

tcz-thekan-402.jpg (109992 bytes)

 

 

tcz-thekan-215.jpg (53007 bytes) tcz-thekan-216.jpg (60599 bytes) COL-23410 Remote Control
tcz-thekan-404.jpg (153144 bytes)

tcz-thekan-406.jpg (108715 bytes)

TDA
Radiomarine ET-8010-C

tda-eso-01.jpg (1245314 bytes) 340-550 kc

200w A1, A2

2 ea. 807, 2 ea. 211

Spec sheet

Info

==

TDB, TDB-2
AN/SRT-4A
Radiomarine  ET-8019-A

2000-22140 kc

2 ea. 807, 2 ea. 813

200w A1, A2

 

TDB

tdb-man-photo.jpg (2650007 bytes)

TDB-2
tdb2-eso-01.jpg (1501438 bytes)
AN/SRT-4A
tdb-srt4a_9413.jpg (2380029 bytes)
tdb-srt4a_9419.jpg (2304779 bytes) tdb-srt4a_9425.jpg (2636361 bytes) tdb-srt4a_9414.jpg (1246685 bytes) tdb-srt4a_9415.jpg (3127284 bytes)
tdb-srt4a_9421.jpg (3136620 bytes)

tdb-srt4a_9420.jpg (3984132 bytes)

tdb-srt4a_9423.jpg (3811187 bytes)

tdb-srt4a_9422.jpg (3033039 bytes)

 

tdb-srt4a_9416.jpg (2527632 bytes)

tdb-srt4a_9417.jpg (1882291 bytes)
tdb-srt4a_9426.jpg (3632249 bytes) tdb-srt4a_9427.jpg (2322624 bytes) tdb-srt4a_9428.jpg (3217220 bytes) tdb-srt4a_9429.jpg (3501324 bytes)
tdb-srt4a_9430.jpg (4422098 bytes) tdb-srt4a_9431.jpg (3293914 bytes) tdb-srt4a_9433.jpg (4884045 bytes)

tdb-srt4a_9434.jpg (3572803 bytes)

tdb-srt4a_9435.jpg (4153679 bytes)

TDD (CCI-52258)
TDD Spec Sheets


tdd3-120501.jpg (419202 bytes)

MF transmitter for airport traffic control
15 w AM, 200-550kc

tdd3-120502.jpg (383397 bytes)

tdd3-120504.jpg (333976 bytes) tdd3-120505.jpg (307925 bytes)

TDF (CRM-52261)

125 watts CW/AM
2.0-9.4 MC

Manuf by Radiomarine

Partial Manual (thanks to Elden)

tdf-01.jpg (192582 bytes) tdf-02.jpg (258437 bytes) tdf-03.jpg (233567 bytes)

TDO
TDO Spec Sheets

NOS TDO movie

tdo-94.JPG (100328 bytes)

tdo-interior.jpg (34722 bytes)

tdo-91.JPG (69333 bytes) Collins 18F autotune HF xmtr
400w CW, 250w AM, 2-18 mc
two 813's modulated by two 805's

tdo-92.JPG (94862 bytes)

tdo-93.JPG (78794 bytes)

TEB (CYV-52353)
TEB Spec Sheets

teb-26-01.JPG (893681 bytes)

Shore Station
4-21 MC, 15 kw, CW/FSK

Navy version of Press Wireless PW-15
 - photo of TEB at KTK

Radio Transmitting Equipment TEB is used for general purpose, high-power, h-f, radiotelegraph, or frequency-shift operation in shore-to-ship, and point-to-point communication. Vacuum-tube keying speeds up to 400 wpm are possible, and provision is made for the connection of an external frequency shift keyer.
Six preset crystal-controlled channels ore available, and provision is made for connection of an external master oscillator.
An automatic control circuit will shut down the entire equipment, except blowers and oscillator oven, if the transmitter is not keyed for a predetermined period (adjustable from two to 30 minutes).
This equipment is designed to work into a balanced two-wire transmission line of 550 to 650 ohm impedance and zero reactance.

TEC
TEC Spec Sheets

tec-26-01.JPG (598658 bytes)

Shore Station
4-21 MC, 40 kw, CW/FSK

Navy version of Press Wireless PW-40

NAVSHIPS 900,212

tec-01.jpg (19313 bytes) tec-02.jpg (41491 bytes)

TED UHF Transmitter
TED Spec Sheets

TED-6
ted6-01.jpg (34849 bytes)

UHF 225-400 mc AM
15 watts output

ted-110225-03.JPG (193207 bytes)

ted-110225-01.JPG (209994 bytes)

NAVSHIPS 91357

Circuit Description - 4.5 MB pdf 

ted-110225-02.JPG (114612 bytes)

TEF

TEF Spec Sheets

tef-block-01.jpg (961717 bytes)

tef-front-01.jpg (1458747 bytes) tef-rear-01.jpg (1730203 bytes) 2 kw HF 4.5-22 mc SSB/AFSK
Western Electric D-15600

Manual

 

TEG (ship/shore)
TEG Development Info

Many more Photos

teg-26-01.JPG (212479 bytes)

TEG-1 (shore station)

teg1-26-01.JPG (1299028 bytes)

 

 

 

 

evidently did not go into production manuf RCA

TEJ or X-TEJ Series
Development Info

became AN/URT-2, URT-3, URT-4

AN/URT-2, URT-3, URT-4 Info - -

Philips SVC100L/110 - about 300 of them made in Australia for the US Navy - 1944

Philips_Tx_SVC100L-110_USN_info-01.JPG (1204677 bytes) Philips_Tx_SVC100L-110_USN_info-02.JPG (1129741 bytes) Philips_Tx_SVC100L-110_USN_plate.JPG (2436982 bytes)

thanks to Kevin VK6KQ for this info and photos of this transmitter he found

Philips_Tx_SVC100L-110_USN_tx.JPG (2099118 bytes)